我们非常重视您的个人隐私,当您访问我们的网站时,请同意使用的所有cookie。有关个人数据处理的更多信息可访问《隐私政策》

纳芯微(NOVOSNS)推出了全新通用CAN接口芯片---NCA1042,隔离CAN接口芯片---NSI1042,可广泛适用于工业、电力、通信和楼宇自动化等各领域中的控制总线设计,例如工控、电梯、安防、电单车、电力电子等应用场合。
高集成度,高稳定性
NCA1042/NSI1042芯片可在-40℃至125℃的宽温工作范围内稳定运行,数据传输速率高达5Mbps,支持CAN FD,兼容绝大部分MCU I/O电平,提供业内通用的封装形式,显著降低了用户成本并带来更优的性能体验。

NCA1042 是一款高速 CAN 收发器,可提供控制器局域网(CAN)协议控制器和物理两线 CAN 总线之间的接口。NCA1042 实现 ISO 11898-2:2016 和 SAE J2284-1 至 SAE J2284-5 中定义的 CAN 物理层,可在 CAN FD 快速阶段以高达 5 Mbit/s 的数据传输速率进行可靠通信。NCA1042 提供过热保护和传输数据显性超时功能。
NCA1042主要性能:
► 完全符合 ISO11898-2 标准
► I/O 电压范围支持 3.3V 和 5V MCU
► 电源电压
- VIO:3V 至 5.5V
- VCC:4.5V 至 5.5V
► 总线故障保护 -70V 至 +70V
► 总线共模电压:-30V 至 +30V
► 传输数据 (TXD) 显性超时功能
► 待机模式下的总线显性超时功能
► 具有唤醒功能的超低电流待机模式
► 过流和过热保护
► 数据速率:高达 5Mbps
► 低环路延迟: <250ns
► 工作温度:-40℃ 至 +125℃
► 符合 RoHS 标准

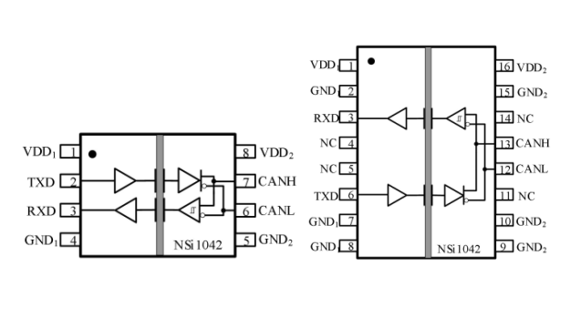
NSI1042是隔离式的CAN收发器,与ISO118982标准完全兼容。NSI1042集成了两通道数字隔离器和一个高性能CAN收发器,数字隔离器是基于纳芯微电容隔离技术的氧化硅隔离,高度集成的解决方案可以帮助简化系统设计并提高可靠性。NSI1042产品已通过UL1577安全认证, 支持5kVrms的绝缘耐压, 同时具有很高的电磁抗扰度和低辐射。NSI1042支持CAN FD,数据速率高达5Mbps,并且可以支持至少110个CAN节点,并提供热保护和传输数据主导超时功能。
NSI1042主要性能
► 完全兼容ISO11898-2标准
► 隔离耐压5000Vrms
► 电源电压
- VDD1:2.5V至5.5V
- VDD2:4.5V至5.5V
► 过电流和过热保护
► 宽总线保护电压+40V
► 通讯速率达5Mbps
► CMTI>150kV/us
► 低环路延迟:<220ns
► 增强的系统级ESD,EFT,抗浪涌能力
► 工作温度-40℃~125℃
► 封装形式
- SOW8 宽体
- SOW16 宽体
通用CAN接口芯片---NCA1042,隔离CAN接口芯片---NSI1042均P2P兼容市场主流欧美芯片,用户无需修改设计就可以直接更换,灵活满足用户选型需求,拥有更高的性价比,提供更可靠的供应保障。
免费送样
NCA1042接口芯片现已量产,NSI1042隔离接口芯片现可以送样,如需申请样片或订购产品可拨打电话0512-62601802,更多信息敬请访问www.wuqinzi.com。